公司简介 公司新闻 综合资讯 产品展示 产品目录 客户反馈 联系我们 电子邮局
主要产品为静态混合器、动态混合设备、传热反应设备、过滤设备、消声设备、阻火设备等

管式反应器
切水器
管道过滤器
混合器
自清洗过滤器
空气过滤器
灭菌过滤器
滤件系列
精细过滤器
粉体输送设备
粉体混合设备
液体搅拌设备
消声器
特种小型设备
排水器
高效换热器
纸浆漂白专用设备
除污器(滤水器)
喷射器
纤维除雾器

 
消声器

SQS—SP型蒸汽排放消声器
结构形式
本系列消声器为小孔喷注放散型消声器。
适用范围

适用于降低小型锅炉排放蒸汽时产生的动力性噪声。
  ◎规格、性能、外形尺寸

型号
消声器适用参数
外形尺寸(mm)
进口法兰标准
排放量t/h
压力MPa
温度℃
消声量dB(A)
H
H1
Ф1
D
HG20592-98
SQS-SP-1
1
2.0
350
30
730
100
300
159
DN32 PN2.5
SQS-SP-2
2
2.0
350
30
775
100
350
219
DN50 PN2.5
SQS-SP-3
4
2.0
350
30
1140
150
450
298
DN65 PN2.5
SQS-SP-4
6
2.0
350
30
1250
150
500
350
DN80 PN2.5
SQS-SP-5
8
2.0
350
30
1365
150
520
377
DN100 PN2.5
SQS-SP-6
10
2.0
350
30
1625
150
600
426
DN125 PN2.5


注:本系列消声器额定排汽压力按1.3MPa设计的,如排汽压力为0.8MPa,选用消声器应比排放管径大一级选用:排汽压力为2.0MPa时应比排放管小一级选用。

SQS—KXP型锅炉排汽消声器
结构形式
本系列消声器为小孔喷注与扩容降压组合式结构,具有重量轻、体积小、频带宽等特点。
                
适用范围
本系列消声器广泛用于冶金、热电化工、石油等工业部门中各种锅炉蒸汽向空排放及安全阀排汽消声。
规格、性能、外形尺寸
类别
型号
适用锅炉参数
消声器特性
外形尺寸(mm)
容量t/h
压力MPa
温度℃
设计流量t/h
消声量dB(A)
L1
L
D
ФXt
中压
SQS-KXP(ZH)-10
35
3.82
450
10
30
480
690
Ф219
Ф57×3.5
SQS-KXP(ZH)-15
50
38
751
1102
Ф325
Ф57×3.5
SQS-KXP(ZH)-25
65.75
25
38
1099
1451
Ф76×4
SQS-KXP(ZH)-40
130
40
36
1419
1786
Ф108×4.5
次高压
SQS-KXP(S)-10
35
530
485
10
36
640
992
Ф325
Ф57×3.5
SQS-KXP(S)-25
65.75
25
38
1099
1451
Ф76×4
SQS-KXP(S)-40
130
40
36
1418
1786
Ф108×4.5
高压
SQS-KXP(G)-60
220
9.81
540
60
38
1520
2074
Ф520
Ф133×10
SQS-KXP(G)-80
80
39
1818
2372
SQS-KXP(G)-100
100
39
2039
2593
超高压
SQS-KXP(ch)-100
420
13.73
540
100
40
2039
2590
Ф520
Ф133×16
SQS-KXP(ch)-200
670
200
41
2574
3123
 


注:用于安全阀排气放空消声器,请注明安全阀排量,启跳压力(表压),介质温度。

SQS—ZX型蒸汽排放消声器
结构形式本系列消声器利用节流降压和小孔喷注两种消声机理,采用多级减压管通过适当的组合,制成具有宽频带消声的复合式消声器。

适用范围本系列消声器广泛用于锅炉排汽放空,也可用于其它气体(如空气、过热蒸汽、氮气、氧气以及各种空压机、鼓风机等多余气体的排汽消声。
规格、性能、外形尺寸

型号
排气量t/h
压力MPa
温度℃
进气管ФXt(mm)
疏水管Ф1(mm)
外形尺寸mm (直径D×高L)
SQS-ZX2-0.3/150
2
0.3
150
Ф57×3
Ф25×2.53
60×1000
SQS-ZX2-0.3/150
3
0.3
150
Ф76×3.5
Ф25×2.5
360×1000
SQS-ZX5-0.3/150
5
0.3
150
Ф133×4.5
Ф25×2.2
526×1000
SQS-ZX10-0.3/150
10
0.3
150
Ф219×6
Ф25×2.5
600×1200
SQS-ZX15-0.4/151
15
0.4
151
Ф219×6
Ф25×2.5
606×1100
SQS-ZX30-0.4/151
30
0.4
151
Ф325×8
Ф25×2.5
750×1200
SQS-ZX5-0.4/180
5
0.4
180
Ф159×5
Ф25×2.5
526×1000
SQS-ZX5-0.3/400
5
0.3
400
Ф159×5
Ф25×2.5
526×1000
SQS-ZX10-0.3/400
10
0.3
400
Ф219×6
Ф25×2.5
600×1200
SQS-ZX2-00.3/200
20
0.3
200
Ф273×7
Ф25×2.5
700×1200
SQS-ZX40-0.3/200
40
0.3
200
Ф325×8
Ф25×2.5
800×1200
SQS-ZX20-0.2/133
40
0.2
133
Ф325×8
Ф25×2.5
650×1200
SQS-ZX15-1.0/250
15
1.0
150
Ф159×5
Ф25×2.5
630×1200
SQS-ZX20-1.0/250
20
1.0
250
Ф219×6
Ф25×2.5
700×1400
SQS-ZX30-1.0/250
30
1.0
250
Ф219×6
Ф25×2.5
700×1400
SQS-ZX5-1.27/194
5
1.27
194
Ф89×3.5
Ф25×2.5
473×1000
SQS-ZX5-1.27/300
5
1.27
300
Ф89×3.5
Ф25×2.5
473×1000
SQS-ZX10-1.27/320
10
1.27
320
Ф133×5
Ф25×2.5
606×1100
SQS-ZX15-1.27/320
15
1.27
320
Ф159×6
Ф25×2.5
646×1100
SQS-ZX10-1.27/250
10
1.27
250
Ф108×4
Ф25×2.5
580×1200
SQS-ZX15-1.27/250
15
1.27
250
Ф133×4.5
Ф25×2.5
630×1200
SQS-ZX20-1.27/250
20
1.27
250
Ф159×5
Ф25×2.5
630×1200
SQS-ZX40-1.27/250
40
1.27
250
Ф219×6
Ф25×2.5
806×1700
SQS-ZX50-1.27/320
50
1.27
320
Ф273×8
Ф25×2.5
906×1800
SQS-ZX15-2.5/225
15
2.5
220
Ф89×5
Ф25×2.5
600×1200
SQS-ZX30-2.5/225
30
2.5
220
Ф133×7
Ф25×2.5
700×1400
SQS-ZX10-3.83/450
10
3.83
450
Ф57×3
Ф25×2.5
600×1075
SQS-ZX20-3.83/450
20
3.83
450
Ф108×7
Ф25×2.5
750×1100
SQS-ZX20-4.3/256
20
4.3
256
Ф89×6
Ф25×2.5
750×1075
SQS-ZX20-3.83/450
20
3.83
450
Ф133×8
Ф25×2.5
900×1200
SQS-ZX60-3.83/450
60
3.83
450
Ф159×10
Ф25×2.5
900×1975
SQS-ZX110-3.83/450
110
3.83
450
Ф219×12
Ф25×2.5
1108×1965


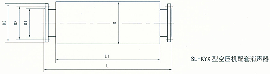
SQS—KYX型空压机配套消声器

结构形式本系列消声器采用阻性吸声段与抗性段相结合的阻抗复合形消声器,可与不同风量的空压机相配套。
适用范围本系列消声器主要用于降低空压机进排气口产生的空气动力性噪声,阻损小于200Pa,消声量≥25dB(A)。
规格、性能、外形尺寸

型号
适用流量
(Nm3/min)
L(mm)
L1(mm)
D(mm)
D1(mm)
D2(mm)
D3(mm)
适用消声部位
SQS-KYX3X
3
1000
800
320
80
125
170
进气消声
SQS-KYX6X
6
1220
1020
370
100
144
170
进气消声
SQS-KYX10X
10
1220
1020
420
150
200
210
进气消声
SQS-KYX20X
20
1420
1220
560
200
250
300
进气消声
SQS-KYX40X
40
1620
1420
650
250
300
350
进气消声
SQS-KYX40B
40
1620
1420
650
250
300
350
排气消声
SQS-KYX100X
100
2180
1880
1000
450
550
650
排气消声
SQS-KYX100B
100
2180
1880
1000
450
550
650
排气消声
SQS-KYX200X
200
2500
2200
1200
700
800
900
排气消声
SQS-KYX200B
200
2500
2220
1200
700
800
900
排气消声


SQS—KAP型压缩空气排放消声器
结构形式
本系列消声器是一种阻抗复合消声器,阻性段采用列管吸声通道,抗性段采用小孔喷注,可与不同风量的空压机相配套。

适用范围主要用于降低空气压缩机放散空气时产生的动力性噪声。压力P≤0.6Mpa,消声量≥30dB(A),本消声器为立式安装。
规格、性能、外形尺寸
型号
适用流量
(Nm3/min)
外形尺寸
进口法兰标准
H
H1
D
Ф1
HG20592-97
SQS-KAP-1
12-18
1800
100
350
550
PN1.0 DN80
SQS-KAP-2
54-96
2000
100
526
880
PN1.0 DN150
SQS-KAP-3
100-204
2500
150
700
1000
PN1.0 DN200
SQS-KAP-4
200-320
3000
150
860
1200
PN1.0 DN250
SQS-KAP-5
288-340
3000
200
1038
1400
PN1.0 DN300
SQS-KAP-6
392-460
3500
200
1210
1700
PN1.0 DN350
SQS-KAP-7
512-604
3500
200
1380
1700
PN1.0 DN400
 



SQS—SFX型烧结机配套风机消声器
结构形式烧结机配套风机消声器系阻性片式结构,整个系列可与不同风量的风机配套。
适用范围主要用于控制与烧结机配套主抽风机、机尾除尘风机、粉焦除尘等风机放散气体产生的动力性噪声。
规格、性能、外形尺寸

型号
风量
(Nm3/h)
风压
(Pa)
外形尺寸 (m)
法兰尺寸
平均
消声量
dB(A)
压力损失
(Pa)
L
a×b
a0×b0
a1×b1
n-d
SQS-SFX-1
1600-2500
2500
2000
2228×2400
1200×1815
1320×1925
51-Ф30
>20
≤200
SQS-SFX-2
3250-4750
4000
2000
3400×4000
1800×2500
1920×2620
63-Ф30
>20
≤200
SQS-SFX-3
6500-7150
4500
2500
2800×4200
2000×3000
2120×3120
76-Ф30
>25
≤200
SQS-SFX-4
8000-9000
5000
3000
3964×4200
2500×3000
2620×3120
84-Ф30
>30
≤200
SQS-SFX-5
12000-13000
5500
3000
4284×5000
2800×3800
2920×3800
86-Ф30
>30
≤200
SQS-SFX-6
16000-17000
6500
3000
3810×6105
2800×5000
2920×5120
90-Ф32
>30
≤200


SQS—ZFX型助燃风机配用消声器
结构形式助燃风机消声器系列管型吸声结构,整个系列可与不同风量的助燃风机配套。

适用范围主要用于控制炼铁热风炉助燃风机产生的动力性噪声。
规格、性能、外形尺寸

型号
风量
(Nm3/h)
风压
(Pa)
外形尺寸 (m)
法兰尺寸
平均
消声量
dB(A)
压力损失
(Pa)
L
a×b
a0×b0
a1×b1
n-d
SQS-ZFX-1
8100~10200
2080~7000
2100
994×994
350×600
450×700
18-Ф13
>20
<400
SQS-ZFX-2
25000
2990
2300
994×1487
500×100
600×1200
32-Ф13
>20
<400
SQS-ZFX-3
41200~48000
3000~3270
2600
1487×1487
550×1280
650×1380
32-Ф17
>20
<400
SQS-ZFX-4
55840~64200
.3860~4770
2700
1487×1980
550×1770
650×1870
38-Ф17
>20
<400
SQS-ZFX-5
180000
3000
3000
1980×2473
600×1770
700×1870
40-Ф17
>20
<400


SQS—OGP型高压氧气放散消声器
结构形式本系列消声器是一种节流降压、耐热吸声复合式消声器,内部结构采用了抗燃性能优良的不锈钢及铜合金。

适用范围本系列消声器适用于降低氧气压缩机后放散氧气时产生的动力性噪声。
规格、性能、外形尺寸

型号
消声器适用参数
外形尺寸
进口法兰标准
风量Nm3/h
压力MPa
温度℃
消声量dB(A)
L
L1
D
HG20592-97
SQS-OGP-1
350-1000
3.0
200
30
1050
773
219
PN4.0 DN50
SQS-OGP-2
1300-3500
3.0
200
30
1200
862
325
PN4.0 DN80
SQS-OGP-3
2000-6000
3.0
200
30
1350
982
377
PN4.0 DN100
SQS-OGP-4
4000-9000
3.0
200
30
1510
1114
426
PN4.0 DN125
SQS-OGP-5
5500-1200
3.0
200
30
1670
1225
510
PN4.0 DN150


SQS—ODP型低压氧气放散消声器
结构形式
本系列消声器是一种节流扩散、耐热吸声复合式消声器,内部结构采用了抗燃性能好的不锈钢及铜合金。

适用范围主要用于降低空气分离装置和氧气压缩机后放散氧气时产生的动力性噪声。
规格、性能、外形尺寸

型号
消声器适用参数
外形尺寸
进口法兰标准
风量Nm3/h
压力MPa
温度℃
消声量dB(A)
L
L1
D
HG20592-97
SQS-ODP-1
240-600
0.8
200
30
1050
773
219
PN1.6 DN50
SQS-ODP-2
600-1500
0.8
200
30
1200
862
325
PN1.6 DN80
SQS-ODP-3
1500-3600
0.8
200
30
1350
982
377
PN1.6 DN100
SQS-ODP-4
1800-4200
0.8
200
30
1510
1114
426
PN1.6 DN125
SQS-ODP-5
3200-7200
0.8
200
30
1670
1225
510
PN1.6 DN150


SQS—KODP型氧气放散消声器
结构形式
本系列消声器是一种扩容阻抗复合式消声器,内部结构采用了抗燃性能好的不锈钢及铝合金。
适用范围本系列消声器适用于降低氧气压缩机后放散氧气时产生的动力性噪声。
规格、性能、外形尺寸

型号
消声器适用参数
外形尺寸
进口法兰标准
风量Nm3/h
压力MPa
温度℃
消声量dB(A)
H
H1
D
Ф1
HG20592-97
SQS-KODP-1
600-1100
0.6
200
30
1600
100
400
550
PN1.6 DN80
SQS-KODP-2
1050-1700
0.6
200
30
1600
100
400
550
PN1.6 DN100
SQS-KODP-3
2300-3800
0.6
200
30
1600
150
450
600
PN1.6 DN150
SQS-KODP-4
4200-6900
0.6
200
30
1600
150
450
600
PN1.6 DN200
SQS-KODP-5
6500-10800
0.6
200
30
1800
150
600
800
PN1.6 DN250


SQS—KNP型氮气放散消声器
结构形式本系列消声器是一种阻抗复合型消声器。
适用范围本系列消声器适用于降低空气分离装置或氮气压缩机后放散氮气时产生的动力性噪声。
规格、性能、外形尺寸

型号
消声器适用参数
外形尺寸
进口法兰标准
风量Nm3/h
压力MPa
温度℃
消声量dB(A)
H
H1
Ф1
D
HG20592-97
SQS-KNP-1
300-500
0.6
200
30
1450
100
500
300
PN0.6 DN50
SQS-KNP-2
615-1230
0.6
200
30
1800
100
580
430
PN0.6 DN80
SQS-KNP-3
1200-2000
0.6
200
30
2000
150
770
580
PN0.6 DN100
SQS-KNP-4
2700-4500
0.6
200
30
2500
150
800
606
PN0.6 DN150
SQS-KNP-5
4800-18000
0.6
200
30
2500
150
1000
780
PN0.6 DN200
SQS-KNP-6
7500-12500
0.6
200
30
3000
150
1200
940
PN0.6 DN250
SQS-KNP-7
10800-18000
0.6
200
30
3000
200
1400
1138
PN0.6 DN300
SQS-KNP-8
12000-24000
0.6
200
30
3500
200
1700
1310
PN0.6 DN350
SQS-KNP-9
19200-32000
0.6
200
30
3500
200
1700
1480
PN0.6 DN400
 


SQS—OX、SQS—QH型高压离心风机消声器
结构形式
本系列消声器为一种阻抗复合式消声器,其阻性段采用列管吸声通道,抗性段采用了多室抗性腔直通道及十字形吸声片形式,从而保证了在较宽频带范围内具有足够的消声量。

适用范围主要用干各种系列(8—18型,9—27型)的高压离心通风机,用于降低进、出风口等空气动力性噪声。    SQS—QX型两端均为法兰联接可串接于管道中;    SQS—QH型一端为防雨帽,仅供设置在室外管道末端和封闭式机房进风口选用。
规格、性能、外形尺寸

型号
适用流量
Nm3/h
外形尺寸(mm)
法兰尺寸(mm)
气流
速度
m/s
阻力
损失
Pa
外径D
有效
长度
H1
外形尺寸H(mm)
内径D1
中心圆D2
外径D3
联接孔
OX
OR
孔径Ф
孔数n
SQS-QX-1
SQS-QH-1
2000
450
130
1550
1650
230
318
350
12
6
13.4
170
SQS-QX-2
SQS-QH-2
5000
600
1300
1550
1650
340
426
450
14
8
13.5
215
SQS-QX-3
SQS-QH-3
800
730
1300
1600
1700
420
506
540
14
12
16
235
SQS-QX-4
SQS-QH-4
12000
790
1400
1800
1800
500
606
640
14
12
17
260
SQS-QX-5
SQS-QH-5
15000
900
1540
1890
2020
580
686
720
14
12
17
260
SQS-QX-6
SQS-QH-6
20000
950
1640
1990
2140
650
806
790
14
12
17
260
SQS-QX-7
SQS-QH-7
25000
1000
1690
2040
2240
700
816
840
14
12
18
300
SQS-QX-8
SQS-QH-8
30000
1100
1750
2150
2400
780
886
920
14
16
17.5
280
SQS-QX-9
SQS-QH-9
35000
1180
1800
2200
2500
840
945
980
14
16
17.6
280
SQS-QX-10
SQS-QH-10
40000
1330
1880
2250
2600
900
1006
1040
14
24
17.5
280
SQS-QX-11
SQS-QH-11
50000
1420
1990
2250
2650
1000
1106
1140
14
24
17.7
280
SQS-QX-12
SQS-QH-12
80000
1780
2900
3200
3600
1300
1420
1480
24
30
16.7
300


SQS—ZDL型中低压离心风机消声器
结构形式
本系列消声器为片式阻性消声器,维修更换方便,分为A、B、C三种片型,适应不同的消声频率特性,可按需要选用,并有单节1m及1.5m、2m、2.5m、3m五种长度获得合理消声量。
适用范围本系列消声器适用于工业与民用建筑中具有一般用途的中低压离心通风机配套。例如:4-72、4-73、5-48、6-48等系列中各机号的风机,在作为通风换气、锅炉鼓风使用中都可以用本系列消声器作为降低风机进、排气噪声。当消声器通过流量在1000-700000m3/h范围内,消声器耐压<8000Pa,消声量大于25dB(A)。
使用注意事项
1.消声器片间流速一般可选等于管道流速,对于民用建筑消声器片间流速V通常取V=3-10m/s,对于工业消声器可取V=12—25m/s,最大不超过30m/s。
2.消声器前后需加变径管,订货时就应提供对应管道截面尺寸及法兰尺寸。3.如需加防雨罩请注明。

规格、性能、外形尺寸

规格
A
B
H
b
h
Lb
Lh
n-Ф
1
50
508
558
466
516
116.5
129
16-Ф12
2
50
708
558
665
516
133
129
18-Ф12
3
50
828
558
789
516
131
129
20-Ф12
4
50
708
828
786
665
131
133
22-Ф16
5
50
828
1008
786
996
131
138
26-Ф16
6
60
1070
1070
996
996
138
138
28-Ф18
7
60
1370
1070
1296
996
138
138
28-Ф18
8
60
1370
1370
1296
1296
162
162
32-Ф18
9
60
1520
1520
1900
1448
181
181
32-Ф18
10
60
1970
1520
1900
1448
190
181
36-Ф20
11
60
1970
1970
1900
1900
190
190
40-Ф20
12
100
2462
2012
2870
1920
197.5
192
44-Ф20
13
100
1462
2462
2870
2370
197.5
197.5
48-Ф22
14
100
2912
2462
2821
2370
217
197.5
22-Ф50
15
100
3212
2912
3120
2821
208
217
56-Ф24
16
100
3812
2912
3728
2821
219
217
60-Ф24



SQS—CZ型轴流风机消声器

结构形式SQS—CZ型轴流风机消声器系列由阻性消声筒体和十字形吸声片组成,结构简单,安装方便。

适用范围主要用于降低各种室内进排风、矿井通风轴流风机的空气动力性噪声。
规格、性能、外形尺寸

型号
适用风量Nm3/h
外形尺寸(mm)
法兰尺寸(mm)
外径Ф
有效长度L1
安装长度L
内径D2
D1
D
SQS-CZ-3
3900
405
400
500
303
357
405
SQS-CZ-4
7700
500
400
500
404
458
500
SQS-CZ-5
8500
605
530
630
506
569
605
SQS-CZ-6
15000
706
700
800
606
680
706
SQS-CZ-7
24000
807
820
920
707
792
807
SQS-CZ-8
36000
908
950
1050
808
893
908
SQS-CZ-9
41000
1009
1100
1200
909
994
1009
SQS-CZ-10
4700
1110
1200
1300
1010
1096
1110
 



SQS—KHP型不锈钢扩散缓冲放空消声器
结构形式本消声器是一种扩容缓冲、小孔喷注与吸声结构相结合的复合消声器,在材质上采用既抗燃又耐腐蚀的不锈钢,适用于氧气、氮气、空气、化工工艺气体及水蒸汽在排放时产生的排气喷流噪声。

技术性能1.适用放散量:4000-128000m3/h(标况):2.适用压力:放空阀前压力0.2MPa;3.使用温度:<400℃;4.消声量:>30dB(A)。
注意事项1.本消声器配带材质为20号钢PN2.5  HG20592-97接管法兰一对,排污管法兰一对;2.用户自配PN2.5,DN20排污阀一个;3.若放空阀前压力P>2.5Mpa,宜在消声器前配管上安装一个巾ф=0.5D(配管直径)节流孔板;4.严禁油、水浸入吸声材料;5.安装时消声器本体不得承受本身重量以外其它外力牵扯,并须竖直安装。


消声器订货须知:
用户订购消声器时应正确书写型号、规格、名称,并提供如下工况条件,以便准确设计选型。1、适用于什么场合(或什么工艺过程);2、介质名称、成分、工作状况下的密度、流量;3、消声器入口前的工作压力、工作温度;4、与消声器入口相连的接管通径,法兰标准;5、材质(一般氧气放散、蒸汽消声器等场合采用不锈钢304);6、要求降噪音;

7、条件许可,请提供噪声频率图:

  8、其他特殊要求也请一并写上。
部分消声器产品图:

南通天蓝石化设备有限公司 地址:启东市台角工业园区跃龙路18号 邮编:226200 http://www.ldyjsh.com E-mail:13862980289@126.com
电话:0513-83750261 手机:13862980289 静态混合器混合器