公司简介 公司新闻 综合资讯 产品展示 产品目录 客户反馈 联系我们 电子邮局
主要产品为静态混合器、动态混合设备、传热反应设备、过滤设备、消声设备、阻火设备等

管式反应器
切水器
管道过滤器
混合器
自清洗过滤器
空气过滤器
灭菌过滤器
滤件系列
精细过滤器
粉体输送设备
粉体混合设备
液体搅拌设备
消声器
特种小型设备
排水器
高效换热器
纸浆漂白专用设备
除污器(滤水器)
喷射器
纤维除雾器

 
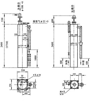
MGPB型系列煤气冷凝水排水器
1、MGPB型排水器适用于不同压力的各种工业煤气架空管道。
2、该排水器必须采用压力给水,给水量为2-4t/h。
3、排水器上设有蒸汽或氮气吹扫头,为防止煤气窜入蒸汽或氮气管内只有在通蒸汽或氮气时,才能把蒸汽或氮气与煤气和管道连通,停用时必须断开或堵盲板。
4、排出器冷凝水应集中处理。
5、设在露天的排水器有寒冷地区要采取防冻措施,设在室内的应有良好的自然通风。
MGPB型排水器系列规格选用表
型 号
允许煤气
最高压力
(KPa)
水封
高度
mm
外形尺寸(mm)
上水管
管径DN
(mm)
上水管
管径DN
(mm)
吹扫管
管径
Φ×δmm

煤气冷凝
水管径
Φ×δmm

筒外径Φ
筒高H
MGPB-I
14.01
2000
426
2400
20
80
Φ159×5
MGPB-II
21.48
2700
529
1750
25
80
Φ22×3
Φ108×6
MGPB-III
34.23
4000
529
2700
25
80
Φ22×3
Φ108×6
                MGPB-II、MGPB-III型    MGPB-I型
 
南通天蓝石化设备有限公司 地址:启东市台角工业园区跃龙路18号 邮编:226200 http://www.ldyjsh.com E-mail:13862980289@126.com
电话:0513-83750261 手机:13862980289 静态混合器混合器