公司简介 公司新闻 综合资讯 产品展示 产品目录 客户反馈 联系我们 电子邮局
主要产品为静态混合器、动态混合设备、传热反应设备、过滤设备、消声设备、阻火设备等

管式反应器
切水器
管道过滤器
混合器
自清洗过滤器
空气过滤器
灭菌过滤器
滤件系列
精细过滤器
粉体输送设备
粉体混合设备
液体搅拌设备
消声器
特种小型设备
排水器
高效换热器
纸浆漂白专用设备
除污器(滤水器)
喷射器
纤维除雾器

 
 
采样器
产品概述
SOX采样器参考UOP技术设计制造,适用干石油、化工装置中对管道内的工艺状况下各种介质,尤其是有毒、易燃、易爆等危害性的中、低压气、液介质的无泄漏采样。样品真实性强,准确性高,无残液、残气排放。有效地防止有毒、有害介质对操作者的伤害。同时不会污染环境,避免了易燃、易爆介质在采样时可能造成的危险事故。符合国家对环保和防火、防爆规范的要求。

SCX采样器已在国内石油化工工艺装置,如渣油加氢、重油催化、气体分馏等装置中采用,获得了好评。我公司生产的SCX型采样器器主要有SCXL型在线式采样器和SCXM型密闭式采样器两大类。用户可以根据不同的工艺要求选用。各采样器主体材质均为1Crl8Ni9TiOCrl8Ni9Ti,外观大方、华丽。

1SCXL型在线式采样器■结构特点SCXL型在线式采样器,主要由应急阀、传动丝杆、阀体、丝杆支架、手柄、柱塞、出液管、密封组件及联接法兰组成。由于柱塞贯穿于阀体及联接法兰中,保证了每次采样时不排残液(),也消除了凝堵的因素。

■型号、适用范围及使用方法SCXLIA型液体在线式采样器■适用范围:本采样器适用于各种粘度、无强腐蚀性的液体介质的采样。    使用温度:-20200℃,工作压力:06.4Mpa■使用方法:(1)将贮样瓶瓶口对准采样器的出液管口:

    (2)逆时针方向,慢慢旋转采样器手柄至液口流出介质为止:

(3)等样品采足后,立即顺时针方向旋转采样器手柄至丝杠全部旋入为止。

■型号及参数:

SCXLIB型液体在线式采样■适用范围:本采样器适用于各种粘度、无腐蚀性的液体介质的采样。也可用作易凝堵部位的排空阀、检查阀等。使用温度:-20425℃,工作压力:0~6.4Mpa■使用方法:(1)将贮样瓶口对准采样器的出液管口。(2)逆时针方向慢慢旋转采样器的手柄至出液口流出介质为止。(3)待样品采完后,立即顺时针方向旋转采样器的手柄至丝杆全部旋入为止。■型号及参数

SCKlIC型液体在线式采样器
■适用范围:本采样器适用于各种粘度、强腐蚀性的高温、易燃液体介质的采样。使用温度:-20425℃,工作压力:06.4Mpa■使用方法:(1)先将采样器出液口处的冷却器接入冷却液;(2)将贮样瓶口对准采样器的出液管口;(3)逆时针方向慢慢旋转采样器的手柄至出液口流出介质为止;(4)待样品采完后,立即顺时针方向旋转采样器的手柄至丝杆全部旋入为止。

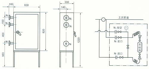
  ④SCXL—Ⅱ气体在线式采样器■适用范围:适用于无颗粒、不凝结、不结晶的各种气体介质的采样。           使用温度:-20425℃,工作压力:0-6.4Mpa■使用方法:  (1)先将贮气袋的采气接管插入采样器的采气接头中  (2)按逆时针方向慢慢旋转采样器手柄至介质进入贮气袋中,样品采足后,立即顺时针方向旋转采样器至丝杠全部旋入为止。  (3)密封后贮气袋进气管后,再将采取接头上的锁紧套往上移动,采取气接管即自动与采气接头脱开。■型号及参数:

2SCXM型密闭采样器SCXM型密闭式采样器,主要由箱体、采样瓶、缓冲罐、快换手轮、压力表、阀门、密封件及法兰组成。■结构特点由于采样瓶与工艺管之间用带有快换手轮连接,因此,操作简单、迅速、方便。■技术参数适用范围SCXMIA型液体密闭式采样器■适用范围:适用于各种有毒、有害、易燃、易爆等各种液体介质的采样。■技术参数:采样温度:-2060℃,设计压力:010.0Mpa,采样量:100ml

注:N1、N2、N3管口为DN15 PN1.6~10.0
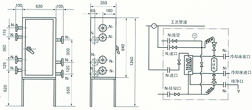
SCXMIB型液体密闭式采样器■适用范围:适用于各种有毒、有害、易燃、易爆等各种液体介质的采样。■技术参数:采样温度:-20400℃,设计压力:010.0Mpa,采样量:100ml

注:N1、N2、N3管口为DN15 PN1.6~10.0
N4、N5、N6管口为DN20  PN1.6
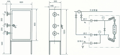
  ③SCXM-IIA型气体密闭式采样器■适用范围:适用于各种有毒、有害、易燃、易爆等各种气体介质的采样。■技术参数:使用温度:-2050℃,设计压力:010.0Mpa,采样量:200ml500m1
  
注:N1、N2、N3、N4管口为DN15  PN1.6~10.0
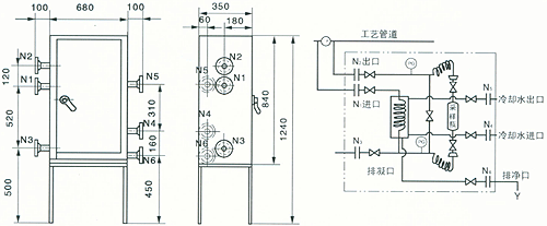
  ④SCXM-IIB型气体密闭式采样器■适用范围:适用于各种有毒、有害、易燃、易爆等各种气体介质的采样。■技术参数:采样温度:-20400℃,设计压力:010.0MPa,采样量:200ml500m1

注:N1、N2、N3、N4管口为DN15 PN1.6~10.0
N5、N6、N7管口为DN20  PN1.6
订货须知1、订货时请详细注明采样器型号、介质名称、压力和温度。

2、请注明连接面法兰标准。

  打印此页】 【返回
   
   
南通天蓝石化设备有限公司 地址:启东市台角工业园区跃龙路18号 邮编:226200 http://www.ldyjsh.com E-mail:13862980289@126.com
电话:0513-83750261 手机:13862980289 静态混合器混合器